產品簡介:賦安AFN-FS1250輸入/輸出模塊一、AFN-FS1250輸入/輸出模塊概述AFN-FS1250輸入/輸出模塊是一種總線式智能編址模塊,內置微處理器,具有1路反饋輸入接點,1路繼電器輸出觸點,最大允許通過1A電流。該模塊與接線底座之間采用插拔方式連接,方便可靠。輸入/輸出模塊用于控制水泵、風機、電梯等需要反饋信號的消防聯動設備。
賦安AFN-FS1250輸入/輸出模塊

一、AFN-FS1250輸入/輸出模塊概述
AFN-FS1250輸入/輸出模塊是一種總線式智能編址模塊,內置微處理器,具有1路反饋輸入接點,1路繼電器輸出觸點,最大允許通過1A電流。該模塊與接線底座之間采用插拔方式連接,方便可靠。輸入/輸出模塊用于控制水泵、風機、電梯等需要反饋信號的消防聯動設備。輸出端可設置成具有檢測線路短路、斷路的功能。
二 、AFN-FS1250輸入/輸出模塊技術參數
| 型號 | AFN-FS1250 |
| 名稱 | 輸入/輸出模塊 |
| 品牌 | 賦安 |
| 工作電壓 | 總線電壓:DC24V(DC18~DC28V) 額定工作電壓:DC24V |
| 工作電流 | 總線監視電流:<0.5mA;總線啟動電流:<2.0mA 電源監視電流:<0.5mA;電源啟動電流:<20.0mA |
| 輸出容量 | DC24V/1A |
| 編址方式 | 電子編碼 |
| 重量 | 約96g(帶底殼) |
| 外形尺寸 | 長86mm×寬86mm×高36mm |
| 安裝孔距 | 60mm |
| 環境溫度 | -10℃~+50℃ |
| 環境濕度 | ≤95%RH(無凝結) |
| 線制 | 無極性兩總線連接 |
| 指示燈 | 指示燈1,巡檢時閃亮,輸出動作時常亮 指示燈2,輸入動作時閃亮 |
| 殼體材料和顏色 | ABS,電腦灰 |
| 執行標準 | GB16806-2006《消防聯動控制系統》 |
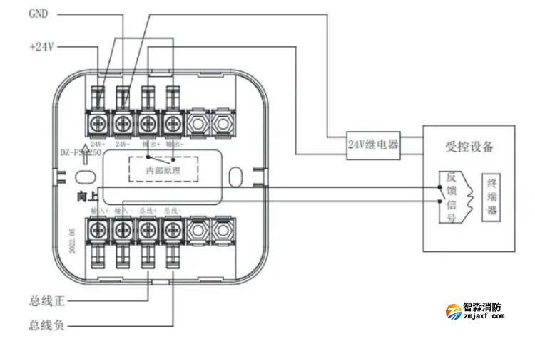
三、AFN-FS1250輸入/輸出模塊接線圖
輸入/輸出模塊直接控制帶有動作應答設備接線圖

輸入/輸出模塊通過繼電器控制帶有動作應答設備接線圖

智淼新款一體式二合一煙溫試驗器及紅紫外火焰探測器功能試驗器一體式二合一煙溫試驗器,二合一火災探測器功能試驗器,感煙感溫二合一探測器功能試驗器是智淼君安消防在優化感煙探測器功能試驗器及感溫探測器功能試驗器的基礎上開發設計的新一代煙溫試驗器,繼續保持特有的不銹鋼設計,鋁合金外包裝,攜帶方便,組裝簡單、操...
一體式二合一煙溫試驗器,二合一火災探測器功能試驗器,感煙感溫二合一探測器功能試驗器是智淼君安消防在優化感煙探測器功能試驗器及感溫探測器功能試驗器的基礎上開發設計的新一代煙溫試驗器,繼續保持特有的不銹鋼設計,鋁合金外包裝,攜帶方便,組裝簡單、操作靈活等特點。增加了吹風,夜視窗口等功能。...
海灣JB-QB-GST1000ZG火災報警控制器一、海灣JB-QB-GST1000ZG火災報警控制器概述壁掛式,含240地址報警點,LCD點陣液晶屏,含一路CAN和一路485通訊接口,帶打印功能,含控制器電源和備電(12V/4.5AH 1節).二、海灣JB-QB-GST1000ZG火災報警控制器特點采用無極性二總線技術具有重碼檢測功能三、海灣GST2322ZG輸入...
海灣J-SAP-M-GST2200ZG手動火災報警按鈕一、海灣J-SAP-M-GST2200ZG手動火災報警按鈕概述電子編碼,插拔式安裝,單輸入、輸出接口.輸出:有源持續輸出,DC24V/50mA,自帶隔離電路,具有檢線功能,不用外接任何輔助檢線設備.輸入:自帶隔離電路,具有檢線功能,可以設置為短路反饋或者開路反饋.與1380ZG中繼箱配合使用,與DZ-23ZG-...
海灣GST2322ZG輸入/輸出模塊一、海灣GST2322ZG輸入/輸出模塊概述電子編碼,插拔式安裝,單輸入、輸出接口.輸出:有源持續輸出,DC24V/50mA,自帶隔離電路,具有檢線功能,不用外接任何輔助檢線設備.輸入:自帶隔離電路,具有檢線功能,可以設置為短路反饋或者開路反饋.與1380ZG中繼箱配合使用,與DZ-23ZG-8型底座配套使用....
海灣GST2321ZG輸入/輸出模塊一、海灣GST2321ZG輸入/輸出模塊概述電子編碼,插拔式安裝,單輸入、輸出接口.輸出:有源脈沖輸出,DC32V/1.5A/25ms,自帶隔離電路,具有檢線功能,不用外接任何輔助檢線設備.輸入:自帶隔離電路,具有檢線功能,可以設置為短路反饋或者開路反饋,與DZ-23ZG-8型底座配套使用.二、海灣GST2321ZG輸入/輸...
海灣JTW-ZOM-GST1110ZG點型感溫火災探測器一、海灣JTW-ZOM-GST1110ZG點型感溫火災探測器概述海灣JTW-ZOM-RF1110點型感溫火災探測器采用熱敏電阻作為感溫器件。探測器內置高性能微處理器,適用于能夠產生溫度變化的火災探測,在不同環境都可以準確識別出火災,具有強大的火警判斷能力,采用無極性二總線制進行通信,電子...
海灣GST8001ZG電子編碼器一、海灣GST8001ZG電子編碼器概述海灣GST8001ZG電子編碼器是針對前端產品進行設置的便攜式操作設備。具備電子式地址讀寫、參數讀寫、參數設置等功能。采樣液晶中文顯示,按鍵操作,操作簡單方便二、海灣GST8001ZG電子編碼器功能特點可對系統總線設備進行編碼和參數設置液晶顯示、中文菜...
海灣GST1200ZG緊急啟停按鈕一、海灣GST1200ZG緊急啟停按鈕概述海灣GST1200ZG緊急啟/停按鈕(以下簡稱按鈕),主要作用是控制氣體滅火系統轉換手動狀態或自動狀態,以及控制緊急啟動和停動功能。通常安裝在保護區門口便于操作的位置,當被保護的區域內發生火災時,按下"緊急啟動"按鍵,即可向氣體滅火控制器發...
海灣GST1530ZG火災顯示盤一、海灣GST1530ZG火災顯示盤概述海灣GST1530ZG火災顯示盤一種可用于樓層或獨立防火區內的火災報警顯示裝置。當建筑物內發生火災后,消防控制中心的控制器產生報警,同時把報警信號傳輸到失火區域的火災顯示盤上,火災顯示盤液晶屏顯示報警編號、類型及注釋信息并發出報警聲響,以通知失火區域的...
400電話:4006-598-119
聯系電話:18751140119
公司傳真:0512-52847706
手機號碼:18910580194
客服QQ:1334605518
Email:1334605518@qq.com
地址:江蘇省蘇州市常熟市黃河路275號城市之星119室
全國服務熱線:18910580194
立即預約智淼君安(江蘇)消防工程技術有限公司主要業務有火災報警系統的銷售、設計、安裝、消防維修及消防工程改造,消防施工,消防工程改造,消防維保,一二級消防檢測設備,探測器清洗,消防檢測,氣體滅火系統安裝,電氣火災系統施工安裝,消防噴淋水系統安裝,防火門系統施工安裝等...
+MORE
物業項目業主戶內消防改造安全管控要點檢查了很多高層住宅項目和帶底商的項目,消防的一個難點就是:故障點位多!一排查,原因多是業主戶內裝修,改了(取消)消防。一說整改就是業主戶內裝修完成了,改造費用高……那么這類消防故障該如何避免或者整改呢?作為物業工作人員,如何在服務業主,滿足合理需求的同時,守住消防 [詳情]
消防改造 消防檢測儀器網 山東消防檢測設備 消防安全評估設備 消防評估設備 北京消防改造 海灣消防主機維修 四川消防檢測設備 氣體滅火 消防檢測設備|人防檢測儀器 江蘇消防檢測儀器 探測器清洗 消防檢測設備 利達消防 智淼消防工程 電氣火災 海灣安全技術有限公司 海灣消防公司 海灣消防 海灣消防設備 海灣氣體滅火|利達氣體滅火 消防安全評估設備軟件 四川消防檢測儀器 消防安全評估軟件 海灣氣體滅火 海灣消防氣滅 利達氣體滅火 利達消防維修維保 海灣消防維修 北京煙感清洗 北京消防維修 煙感清洗|火災探測器清洗 消防安全評估軟件 海灣消防監控系統 氣體滅火安裝 消防設施維護保養檢測設備 消防改造安裝 海灣消防器材 利達消防器材 青鳥消防器材 泛海三江消防設備 上海松江消防設備 深圳賦安消防設備 泰和安消防設備 依愛消防設備 金鼎防爆消防設備 尼特消防設備 海灣消防產品 利達消防產品 消防評估檢測設備 消防檢測設備儀器 松江消防 青鳥消防 泰和安消防 利達消防設備 消防氣體滅火 智淼消防商城網 利達消防公司 依愛消防 福賽爾消防 久遠消防 三江消防 泰和安消防 藝光消防 國泰怡安消防 利達氣體滅火 海灣消防安全技術 海灣消防公司
如果您對本商品有什么問題,請提問咨詢!