產品簡介:三江JTW-ZD-A20G-Ex防爆型點型感溫火災探測器一、三江JTW-ZD-A20G-Ex防爆型點型感溫火災探測器概述三江JTW-ZD-A20G-Ex型點型感溫火災探測器是通過二線制總線接入相兼容的火災報警控制系統,為二總線工作方式。探測器內置微處理器,支持電子編碼。探測器實時采集現場溫度信息,并將數據傳送至火災報警控制系統,同時
三江JTW-ZD-A20G-Ex防爆型點型感溫火災探測器

一、三江JTW-ZD-A20G-Ex防爆型點型感溫火災探測器概述
三江JTW-ZD-A20G-Ex型點型感溫火災探測器是通過二線制總線接入相兼容的火災報警控制系統,為二總線工作方式。探測器內置微處理器,支持電子編碼。
探測器實時采集現場溫度信息,并將數據傳送至火災報警控制系統,同時也能接收并執行火災報警控制系統給出的控制命令。巡檢狀態時,探測器指示燈閃亮,當被監視區域發生火災,溫度上升到報警閾值后,控制系統根據接收到的探測器信息確認火警發生,同時點亮探測器指示燈,指示有火警發生。
探測器防爆性能符合GB/T 3836.1-2021《爆炸性環境第1部分:設備通用要求》、GB/T 3836.2-2021《爆炸性環境第2部分:由隔爆外殼“d”保護的設備》及GB/T 3836.4-2021《爆炸性環境第4部分:由本質安全型“i”保護的設備》。探測器防爆標志為Ex db ibⅡC T6 Gb,適用于具有ⅡA、ⅡB、ⅡC級,T1~T6組別的爆炸性混合物場所中的1區或2區使用。
二、三江JTW-ZD-A20G-Ex防爆型點型感溫火災探測器功能特點
◎全電子編碼,編碼地址可通過編碼器現場改寫。
◎具有溫度補償,傳感器失效檢測功能(故障上報控制器)。
◎無極性二總線連接,安裝、維護方便。
◎具有差溫報警功能。
三、三江JTW-ZD-A20G-Ex防爆型點型感溫火災探測器技術參數
型號 JTW-ZD-A20G-Ex
名稱 點型感溫火災探測器
品牌 三江
防爆標志 Ex db ib IIC T6 Gb
適用爆炸環境 適用于具有ⅡA、ⅡB、ⅡC 級,T1~T6 組別的爆炸性混合物場所中的 1 區或 2 區 使用
IP 等級 隔爆腔防護等級 IP66
工作方式 無極性二總線
產品類別 A2R
電氣接口 2-M20×1.5
編碼方式 通過編碼器可現場編碼,地址范圍 1~324 任選
工作電壓 總線 24V
工作電流 <1mA(監視狀態)
報警狀態 <1.5mA(報警狀態)
工作指示燈 監視狀態紅色指示燈閃爍,報警狀態紅色指示燈常亮
使用環境溫度 -10℃~+50℃
相對濕度 ≤95%(40℃±2℃無凝露)
重量 約 1.45kg
保護面積 具體參考國標 GB 50116-2013《火災自動報警系統設計規范》相關規定
執行標準 GB 4716-2005、GB/T 3836.1-2021、GB/T 3836.2-2021、GB/T 3836.4-2021
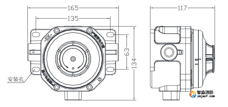
四、三江JTW-ZD-A20G-Ex防爆型點型感溫火災探測器外形尺寸圖

五、三江JTW-ZD-A20G-Ex防爆型點型感溫火災探測器接線圖
配套隔爆底座的下殼及殼內安全柵板載接線端子示意圖:

端子定義:L1、L2無極性兩線制
L1、L1信號端(L1)、板上相連L2、L2信號端(L2)、板上相連
探測器接線圖:

探測器通過二線制總線并聯,接入相兼容的火災報警控制系統。探測器采用無極性連接,多個探測器與控制器連接的示意圖如圖所示。
智淼新款一體式二合一煙溫試驗器及紅紫外火焰探測器功能試驗器一體式二合一煙溫試驗器,二合一火災探測器功能試驗器,感煙感溫二合一探測器功能試驗器是智淼君安消防在優化感煙探測器功能試驗器及感溫探測器功能試驗器的基礎上開發設計的新一代煙溫試驗器,繼續保持特有的不銹鋼設計,鋁合金外包裝,攜帶方便,組裝簡單、操...
一體式二合一煙溫試驗器,二合一火災探測器功能試驗器,感煙感溫二合一探測器功能試驗器是智淼君安消防在優化感煙探測器功能試驗器及感溫探測器功能試驗器的基礎上開發設計的新一代煙溫試驗器,繼續保持特有的不銹鋼設計,鋁合金外包裝,攜帶方便,組裝簡單、操作靈活等特點。增加了吹風,夜視窗口等功能。...
海灣JB-QB-GST1000ZG火災報警控制器一、海灣JB-QB-GST1000ZG火災報警控制器概述壁掛式,含240地址報警點,LCD點陣液晶屏,含一路CAN和一路485通訊接口,帶打印功能,含控制器電源和備電(12V/4.5AH 1節).二、海灣JB-QB-GST1000ZG火災報警控制器特點采用無極性二總線技術具有重碼檢測功能三、海灣GST2322ZG輸入...
海灣J-SAP-M-GST2200ZG手動火災報警按鈕一、海灣J-SAP-M-GST2200ZG手動火災報警按鈕概述電子編碼,插拔式安裝,單輸入、輸出接口.輸出:有源持續輸出,DC24V/50mA,自帶隔離電路,具有檢線功能,不用外接任何輔助檢線設備.輸入:自帶隔離電路,具有檢線功能,可以設置為短路反饋或者開路反饋.與1380ZG中繼箱配合使用,與DZ-23ZG-...
海灣GST2322ZG輸入/輸出模塊一、海灣GST2322ZG輸入/輸出模塊概述電子編碼,插拔式安裝,單輸入、輸出接口.輸出:有源持續輸出,DC24V/50mA,自帶隔離電路,具有檢線功能,不用外接任何輔助檢線設備.輸入:自帶隔離電路,具有檢線功能,可以設置為短路反饋或者開路反饋.與1380ZG中繼箱配合使用,與DZ-23ZG-8型底座配套使用....
海灣GST2321ZG輸入/輸出模塊一、海灣GST2321ZG輸入/輸出模塊概述電子編碼,插拔式安裝,單輸入、輸出接口.輸出:有源脈沖輸出,DC32V/1.5A/25ms,自帶隔離電路,具有檢線功能,不用外接任何輔助檢線設備.輸入:自帶隔離電路,具有檢線功能,可以設置為短路反饋或者開路反饋,與DZ-23ZG-8型底座配套使用.二、海灣GST2321ZG輸入/輸...
海灣JTW-ZOM-GST1110ZG點型感溫火災探測器一、海灣JTW-ZOM-GST1110ZG點型感溫火災探測器概述海灣JTW-ZOM-RF1110點型感溫火災探測器采用熱敏電阻作為感溫器件。探測器內置高性能微處理器,適用于能夠產生溫度變化的火災探測,在不同環境都可以準確識別出火災,具有強大的火警判斷能力,采用無極性二總線制進行通信,電子...
海灣GST8001ZG電子編碼器一、海灣GST8001ZG電子編碼器概述海灣GST8001ZG電子編碼器是針對前端產品進行設置的便攜式操作設備。具備電子式地址讀寫、參數讀寫、參數設置等功能。采樣液晶中文顯示,按鍵操作,操作簡單方便二、海灣GST8001ZG電子編碼器功能特點可對系統總線設備進行編碼和參數設置液晶顯示、中文菜...
海灣GST1200ZG緊急啟停按鈕一、海灣GST1200ZG緊急啟停按鈕概述海灣GST1200ZG緊急啟/停按鈕(以下簡稱按鈕),主要作用是控制氣體滅火系統轉換手動狀態或自動狀態,以及控制緊急啟動和停動功能。通常安裝在保護區門口便于操作的位置,當被保護的區域內發生火災時,按下"緊急啟動"按鍵,即可向氣體滅火控制器發...
海灣GST1530ZG火災顯示盤一、海灣GST1530ZG火災顯示盤概述海灣GST1530ZG火災顯示盤一種可用于樓層或獨立防火區內的火災報警顯示裝置。當建筑物內發生火災后,消防控制中心的控制器產生報警,同時把報警信號傳輸到失火區域的火災顯示盤上,火災顯示盤液晶屏顯示報警編號、類型及注釋信息并發出報警聲響,以通知失火區域的...
400電話:4006-598-119
聯系電話:18751140119
公司傳真:0512-52847706
手機號碼:18910580194
客服QQ:1334605518
Email:1334605518@qq.com
地址:江蘇省蘇州市常熟市黃河路275號城市之星119室
全國服務熱線:18910580194
立即預約智淼君安(江蘇)消防工程技術有限公司主要業務有火災報警系統的銷售、設計、安裝、消防維修及消防工程改造,消防施工,消防工程改造,消防維保,一二級消防檢測設備,探測器清洗,消防檢測,氣體滅火系統安裝,電氣火災系統施工安裝,消防噴淋水系統安裝,防火門系統施工安裝等...
+MORE
物業項目業主戶內消防改造安全管控要點檢查了很多高層住宅項目和帶底商的項目,消防的一個難點就是:故障點位多!一排查,原因多是業主戶內裝修,改了(取消)消防。一說整改就是業主戶內裝修完成了,改造費用高……那么這類消防故障該如何避免或者整改呢?作為物業工作人員,如何在服務業主,滿足合理需求的同時,守住消防 [詳情]
消防改造 消防檢測儀器網 山東消防檢測設備 消防安全評估設備 消防評估設備 北京消防改造 海灣消防主機維修 四川消防檢測設備 氣體滅火 消防檢測設備|人防檢測儀器 江蘇消防檢測儀器 探測器清洗 消防檢測設備 利達消防 智淼消防工程 電氣火災 海灣安全技術有限公司 海灣消防公司 海灣消防 海灣消防設備 海灣氣體滅火|利達氣體滅火 消防安全評估設備軟件 四川消防檢測儀器 消防安全評估軟件 海灣氣體滅火 海灣消防氣滅 利達氣體滅火 利達消防維修維保 海灣消防維修 北京煙感清洗 北京消防維修 煙感清洗|火災探測器清洗 消防安全評估軟件 海灣消防監控系統 氣體滅火安裝 消防設施維護保養檢測設備 消防改造安裝 海灣消防器材 利達消防器材 青鳥消防器材 泛海三江消防設備 上海松江消防設備 深圳賦安消防設備 泰和安消防設備 依愛消防設備 金鼎防爆消防設備 尼特消防設備 海灣消防產品 利達消防產品 消防評估檢測設備 消防檢測設備儀器 松江消防 青鳥消防 泰和安消防 利達消防設備 消防氣體滅火 智淼消防商城網 利達消防公司 依愛消防 福賽爾消防 久遠消防 三江消防 泰和安消防 藝光消防 國泰怡安消防 利達氣體滅火 海灣消防安全技術 海灣消防公司
如果您對本商品有什么問題,請提問咨詢!